Каталог
Каталог Написать в WhatsApp
Мотоэкипировка

Поворотный кронштейн 4-Х ТАКТНОГО ПЛМ MERCURY 30 Серийный номер от 0R106999 и выше

Поворотный кронштейн 4-Х ТАКТНОГО ПЛМ MERCURY 30 Серийный номер от 0R106999 и выше в Тобольске: актуальный каталог, цены, фото, описание. Купите поворотный кронштейн 4-х тактного плм mercury 30 серийный номер от 0r106999 и выше в кредит – оформите заявку онлайн за 1 минуту!

Оригинальные запчасти

Артикул НАИМЕНОВАНИЕ Кол-во деталей в узле Примечание Наличие Цена Аналоги Фото
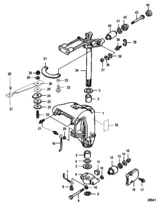
1 898103T21 SWIVEL BRACKET

Под заказ

1

Под заказ

уточнить

Купить
2 16336007 Втулка (BUSHING)

Под заказ

2

Под заказ

уточнить

Купить
3 803774004 THRUST PLATE

Под заказ

2

Под заказ

уточнить

Купить
4 16109002 Уплотнительное кольцо (O-RING)

Под заказ

1

Под заказ

уточнить

Купить
5 804027001 C-RING

Под заказ

1

Под заказ

уточнить

Купить
6 853786T06 BOTTOM YOKE

Под заказ

1

Под заказ

уточнить

Купить
7 898101091 Провод (WIRE, Ground)

Под заказ

1

Под заказ

уточнить

Купить
8 8230427 BOLT, (M6 x 12)

Под заказ

1

Под заказ

уточнить

Купить
9 851866009 BOLT, Lower

Под заказ

2

Под заказ

уточнить

Купить
10 8537732 RUBBER DAMPER, Lower

Под заказ

1

Под заказ

уточнить

Купить
11 8M0075315 Держатель (MOUNT)

Под заказ

2

Под заказ

уточнить

Купить
12 851867 WASHER

Под заказ

2

Под заказ

уточнить

Купить
13 953928 WASHER

Под заказ

2

Под заказ

уточнить

Купить
14 95374002 NUT

Под заказ

2

Под заказ

уточнить

Купить
15 851869002 COVER, Lower

Под заказ

2

Под заказ

уточнить

Купить
16 167051 Болт (BOLT)

Под заказ

4

Под заказ

уточнить

Купить
17 898101090 Провод заземления (WIRE, Ground)

Под заказ

1

Под заказ

уточнить

Купить
18 16826 Шайба (WASHER@10)

Под заказ

1

Под заказ

уточнить

Купить
19 824969 Фиттинг (FITTING, Grease)

Под заказ

3

Под заказ

уточнить

Купить
20 898103A92 Механизм регулировки усилия поворота(CO-PILOT KIT)

Под заказ

1

Под заказ

уточнить

Купить
21 895140002 Болт (BOLT)

Под заказ

1

Под заказ

уточнить

Купить
22 895173 Диск (DISC)

Под заказ

2

Под заказ

уточнить

Купить
23 895146002 Шайба (WASHER)

Под заказ

1

Под заказ

уточнить

Купить
24 895146001 Шайба (WASHER)

Под заказ

1

Под заказ

уточнить

Купить
25 898101035 HANDLE, Co-Pilot

Под заказ

1

Под заказ

уточнить

Купить
26 898101083 GRIP

Под заказ

1

Под заказ

уточнить

Купить
27 8M0051399 Штифт фиксирующий (STOPPER)

Под заказ

1

Под заказ

уточнить

Купить
28 16192 Шайба (WASHER@10)

Под заказ

1

Под заказ

уточнить

Купить
29 898101036 PLATE, Co-Pilot

Под заказ

1

Под заказ

уточнить

Купить
30 898101031 COLLAR

Под заказ

2

Под заказ

уточнить

Купить
31 853770T09 SWIVEL TUBE

Под заказ

1

Под заказ

уточнить

Купить
32 162382 Шайба (WASHER)

Под заказ

2

Под заказ

уточнить

Купить
33 853772002 Запорная пластина (PLATE, Lock)

Под заказ

2

Под заказ

уточнить

Купить
34 85372215 Гайка (NUT)

Под заказ

2

Под заказ

уточнить

Купить
35 898101161 RETAINER, Mount

Под заказ

2

Под заказ

уточнить

Купить
36 879194249 Болт (BOLT)

Под заказ

2

Под заказ

уточнить

Купить
37 898101242 MOUNT, Rubber, Upper

Под заказ

2

Под заказ

уточнить

Купить
38 853772003 PLATE, Upper Lock, Upper

Под заказ

2

Под заказ

уточнить

Купить
39 898101043 DAMPER, Rubber, Upper

Под заказ

2

Под заказ

уточнить

Купить
40 898101160 SCREW, Upper Mount

Под заказ

2

Под заказ

уточнить

Купить
41 853773003 DAMPER, Upper

Под заказ

2

Под заказ

уточнить

Купить

Нулевая цена не означает отсутствие товара. Оформите заказ, и менеджер сообщит вам цену и наличие товара, предварительно запросив их у поставщика

Главная Магазины
Корзина0
Профиль